产品推荐

产品栏目

HTF(GYF)系列消防高温排烟轴流通风机
HTF(GYF)系列消防高温排烟轴流通风机


HTF(GYF)系列消防高温排烟轴流通风机概述、特点

1、HTF(GYF)系列消防高温排烟轴流通风机由上海交通大学和本公司联合研制开发,具有性能优良、耐高温性能好、效率高、占地比离心风机少、安装方便等特点。

2、HTF(GYF)系列消防高温排烟轴流通风机经国家固定灭火系统和耐火构件质量监督检验中心检测合格,公安部消防产品合格评定中心合法3CF认证证书,其性能达到国内领先水平,经全国三十多个省市的消防部门认可。该风机畅销全国各省(市)、自治区,并出口国际市场。

3、耐高温性能优良,风机按GA211-2009《消防排烟风机耐高温试验方法》:CNCA-C18-02:2014《强制性产品认证实施规则火灾防护产品》:CCCF-HZFH-03《强制性产品认证实施细则火灾防护产品消防防烟排烟设备产品》消防规范标准要求,采用独特设计,耐高温电机内置,配置电机冷却系统,能在300℃高温条件下连续运行100分钟以上、100℃温度条件下连续20小时/次不损坏。广泛应用于高层民用建筑、地下车库、隧道地铁等场合。

4、适用范围广:可以根据高级民用建筑的不同要求,采用变速或多速驱动形式,以达到一机两用(即平常用通排风和消防高温排烟)的目的;叶型分为轴流式排烟HTF(GYF)-Ⅰ、Ⅱ、D1、D2和混流式排烟HTF(GYF)-Ⅲ、Ⅳ,亦可制成屋顶式、消音式。

5、效率高:本系列风机采用先进的CAD软件经多目标优化设计研制开发的新产品,经实测表明风机效率大于80%,部分大机号大于85%,并具有效率曲线平坦的特点,有利于节能。

6、安装方便,占地较离心风机少:该风机基本形式为轴流式风机或混流式风机。可直接与风管连接或壁式安装,安装形式可采用垂直式或水平式。很大程度上节省了占地面积。

HTF(GYF)-I型消防高温排烟轴流通风机性能参数表

机号

叶轮直径

(Φmm)

风量

(m3/h)

全压

(pa)

功率

(kw)

转速

(rpm)

A声级

dB(A)

重量

(kg)

3.5

350

6122

205

1.1

2900

76

45

5500

350

5008

368

4268

482

3500

552

4

400

6524

383

1.5

2900

78

55

6122

424

5232

483

4868

505

4525

530

4.5

450

7981

508

2.2

2900

79

70

6886

522

5886

588

5442

636

5023

698

5

500

9824

510

3

2900

80

85

9544

552

8861

610

8040

680

6817

752

5.5

550

12693

536

4

2900

86

100

12000

592

10920

643

9066

692

8256

756

6

600

16090

510

5.5

2900

86

125

15718

552

15102

610

14302

680

13197

760

6.5

650

21652

512

5.5

1450

88

150

19780

558

18000

620

17120

668

16254

702

7

700

24380

610

7.5

1450

88

170

23570

630

22439

655

20784

676

18908

728

机号

叶轮直径

(Φmm)

风量

(m3/h)

全压

(pa)

功率

(kw)

转速

(rpm)

A声级

dB(A)

重量

(kg)

8

800

31421

600

7.5

1450

89

190

30364

635

29172

661

28598

692

26012

723

9

900

33510

562

11

1450

90

250

32961

628

32297

668

30350

765

27513

840

10

1000

45679

630

11

1450

90

280

42960

665

40000

690

38200

736

35000

770

11

1100

53126

516

15

1450

92

350

51552

580

50128

647

48500

690

46658

726

12

1200

65862

582

18.5

960

93

420

62763

624

59300

680

58642

712

57748

740

13

1300

74708

600

18.5

960

94

480

71120

672

65370

710

61652

765

56031

807

14

1400

85511

612

22

960

95

530

79033

676

74111

718

68823

768

63312

812

15

1500

93800

623

22

960

95

580

90650

676

86115

710

82236

772

76041

819

16

1600

120233

652

30

960

96

690

113498

704

109686

762

99506

842

91210

912

HTF(GYF)-II型双速消防高温排烟轴流通风机性能参数表

机号

叶轮直径

(Φmm)

风量

(m3/h)

全压

(pa)

转速

(rpm)

功率

(kw)

A声级

dB(A)

重量

(kg)

5

500

9824

510

2900

3/2.5

86

110

9544

552

8861

610

8040

680

6817

752

4912

127

1450

75

4772

138

4431

153

4020

170

3410

188

5.5

550

12693

536

2900

4/3

86

115

12000

592

10920

643

9066

692

8256

756

6347

134

1450

79

6000

148

5460

161

4533

173

4128

189

6

600

16090

510

2900

5.5/4.5

86

165

15718

552

15102

610

14302

680

13197

760

8045

127

1450

75

7859

138

7551

153

7151

170

6599

190

6.5

650

21652

512

1450

5.5/4.5

88

180

19780

558

18000

620

17120

668

16254

702

10826

128

960

82

9890

140

9000

155

8560

167

8127

176

7

700

24380

610

1450

8/6.5

88

220

23570

630

22439

655

20784

676

18908

728

16141

267

960

80

15605

276

14865

287

13856

296

12518

319

 

机号

叶轮直径

(Φmm)

风量

(m3/h)

全压

(pa)

转速

(rpm)

功率

(kw)

A声级

dB(A)

重量

(kg)

8

800

31421

600

1450

8/6.5

89

230

30364

635

29172

661

28598

692

26012

723

20800

263

960

80

20103

278

19314

290

18934

303

17222

317

9

900

33510

562

1450

11/9

90

250

32961

628

32297

668

30350

765

27513

840

22186

246

960

81

21822

275

21383

293

20094

335

18216

368

10

1000

45679

630

1450

11/9

90

305

42960

665

40000

690

38200

736

35000

770

30255

276

960

81

28442

291

26483

302

25291

322

24019

338

11

1100

53126

516

1450

16/13

92

335

51552

580

50128

647

48500

690

46658

726

39844

290

960

83

38664

326

37596

364

36375

387

34994

408

12

1200

65862

582

960

17/12

93

480

62763

624

59300

680

58642

712

55651

740

49396

327

720

83.5

47072

351

44475

383

43982

400

43311

416

 

机号

叶轮直径

(Φmm)

风量

(m3/h)

全压

(pa)

转速

(rpm)

功率

(kw)

A声级

dB(A)

重量

(kg)

13

1300

74708

600

960

17/12

94

520

71120

672

65370

710

61652

765

56031

807

56031

338

720

84.5

53340

378

49027

399

46989

430

42023

454

14

1400

85511

612

960

22/11

95

560

79033

676

74111

718

68823

768

63312

812

64133

344

720

85

59275

380

55583

399

51617

432

47484

458

15

1500

93800

623

960

22/11

95

610

90650

676

86115

710

82236

772

76041

819

70350

350

720

85

67988

380

64586

401

61677

434

57031

461

16

1600

120233

652

960

30/15

96

750

113498

704

109686

762

99506

842

91210

912

90175

366

720

86

85116

396

82265

428

74630

473

68408

513

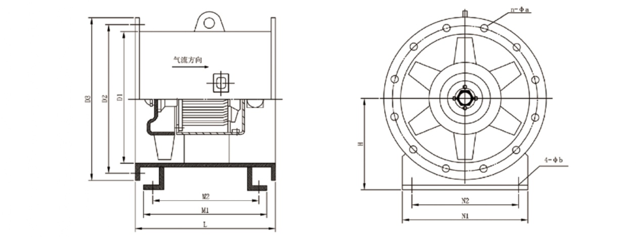
HTF(GYF)-I、II型消防高温排烟轴流通风机外形及安装尺

聚强通风样本_page-0028_看图王_看图王.jpg

机号

D1

D2

D3

I型

II型

N1

N2

n-Φa

Φb

H

L

M1

M2

L

M1

M2

3.5

Φ350

Φ380

Φ410

380

320

280




280

220

6-Φ8.5

Φ11

250

4

Φ400

Φ430

Φ460

400

340

300




320

220

6-Φ8.5

Φ11

270

4.5

Φ450

Φ480

Φ510

420

360

320




360

260

8-Φ8.5

Φ11

300

5

Φ500

Φ535

Φ570

500

440

400

480

420

380

400

300

8-Φ8.5

Φ11

320

5.5

Φ550

Φ585

Φ620

500

440

400

620

520

470

440

340

12-Φ10.5

Φ13

350

6

Φ600

Φ635

Φ670

600

500

460

730

630

590

480

380

12-Φ10.5

Φ13

380

6.5

Φ650

Φ685

Φ730

600

500

460

730

630

590

520

420

12-Φ10.5

Φ13

420

7

Φ700

Φ740

Φ780

670

570

520

780

680

630

560

460

12-Φ10.5

Φ13

450

8

Φ800

Φ840

Φ880

700

600

550

780

680

630

640

540

16-Φ10.5

Φ13

500

9

Φ900

Φ940

Φ980

780

680

630

830

730

680

720

620

16-Φ12.5

Φ15

550

10

Φ1000

Φ1050

Φ1100

820

720

670

830

730

680

800

700

16-Φ12.5

Φ15

600

11

Φ1100

Φ1150

Φ1200

900

750

700

1000

850

800

880

780

16-Φ12.5

Φ15

660

12

Φ1200

Φ1250

Φ1300

1150

1000

940

1150

1000

940

960

860

20-Φ12.5

Φ15

710

13

Φ1300

Φ1350

Φ1400

1150

1000

940

1150

1000

940

1040

940

20-Φ12.5

Φ15

760

14

Φ1400

Φ1450

Φ1500

1150

1000

940

1150

1000

940

1120

1020

20-Φ12.5

Φ15

810

15

Φ1500

Φ1550

Φ1600

1150

1000

940

1150

1000

940

1200

1100

24-Φ12.5

Φ15

860

16

Φ1600

Φ1650

Φ1700

1400

1200

1220

1400

1250

1220

1280

1180

24-Φ12.5

Φ15

920

注:为了同用户的安装尺寸保持一致,法兰打孔尺寸(n-Φa)仅供参考,若用户没有说明,本公司一般不打孔.